
Le tout est construit dans un coffret en forme de pupitre sur mesure en tôle d’aluminium anodisé d’une
épaisseur de 1,5 mm, d’un encombrement de 50 cm de large, 32 cm de hauteur et de 21 cm de profondeur. Les
parois sont assemblés à l’aide d’une armature en cornière alu anodisé. Il est facile à réaliser pour l’amateur. Les
modalités d’approvisionnements seront décrits en fin de dossier.
Chaque source HT ou BT alternative est disponible sur des bornes à double but : founir une tension d’une
valeur bien précise pour étudier une maquette à tubes et pouvoir contrôler toutes ces tensions et courant par un
appareil de précision (cas d’un relevé de courbe).
LE SCHEMA :
Pour plus de clarté, nous distinguerons séparément :
- l’alimentation HT positive, avec son transformateur, le redressement et filtrage L.C,
l’alimentation négative avec redressement doubleur de tension, filtrage R.C., stabilisation par
tubes 0B2 (§ fig. 3)
- l’alimentation filament avec son transformateur, le rhéostat de réglage et le voltmètre de
contrôle, (§ fig.4)
- le circuit des trois sources de tension forte et moyenne puissance,
- (§ fig. 5 et 6).
- le circuit du bloc de combinaison des sources. (§ fig. 7)
- le circuit d’interconnexion générale.
L’alimentation :
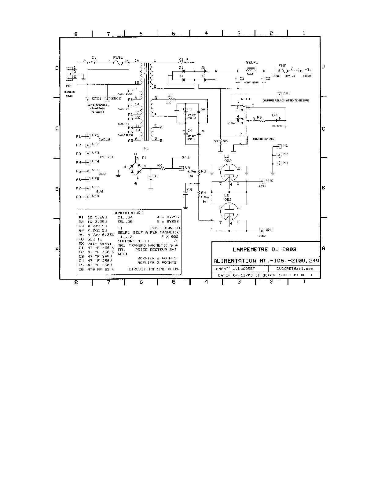
Le transformateur TR1 assure l’isolement entre secteur et l’utilisateur.
+HT : La tension secondaire de 290 V efficace est appliquée par R1 au pont de redressement constitué de 4
diodes D1 à D4, puis charge le condensateur de tête C1 à la valeur de crête soit Ueff x √2 de l’ordre de 430 V. R1
sert de protection.
Un premier filtrage est assuré par la self (SELF1) chargé par C2. La tension de service de ces deux
condensateurs est de 450 V. Le fusible FUS2 de 350 mA protège cette source de l’utilisation.
-HT : La tension secondaire de 100 V est appliqué par R2 au quatuor ( diodes D5 et D6 –condensateurs C3
et C4) monté en doubleur Latour. Ce montage nécessite une demi-tension par rapport au montage précédent. Cette
source délivre un courant maximum de 30 mA. Un premier filtrage est effectué par le réseau R3, C5. R4 transmet
cette source au circuit de stabilisation.
Il n’y a pas de second condensateur. Le filtrage définitif est assuré par les tubes stabilisateurs montés en
série. De plus, un condensateur placé à cet endroit ferait osciller cette source.
4