
Amplificateur de valve | VT-VSPA1-2 3/8
RF 30115, édition: 2013-09, Bosch Rexroth AG
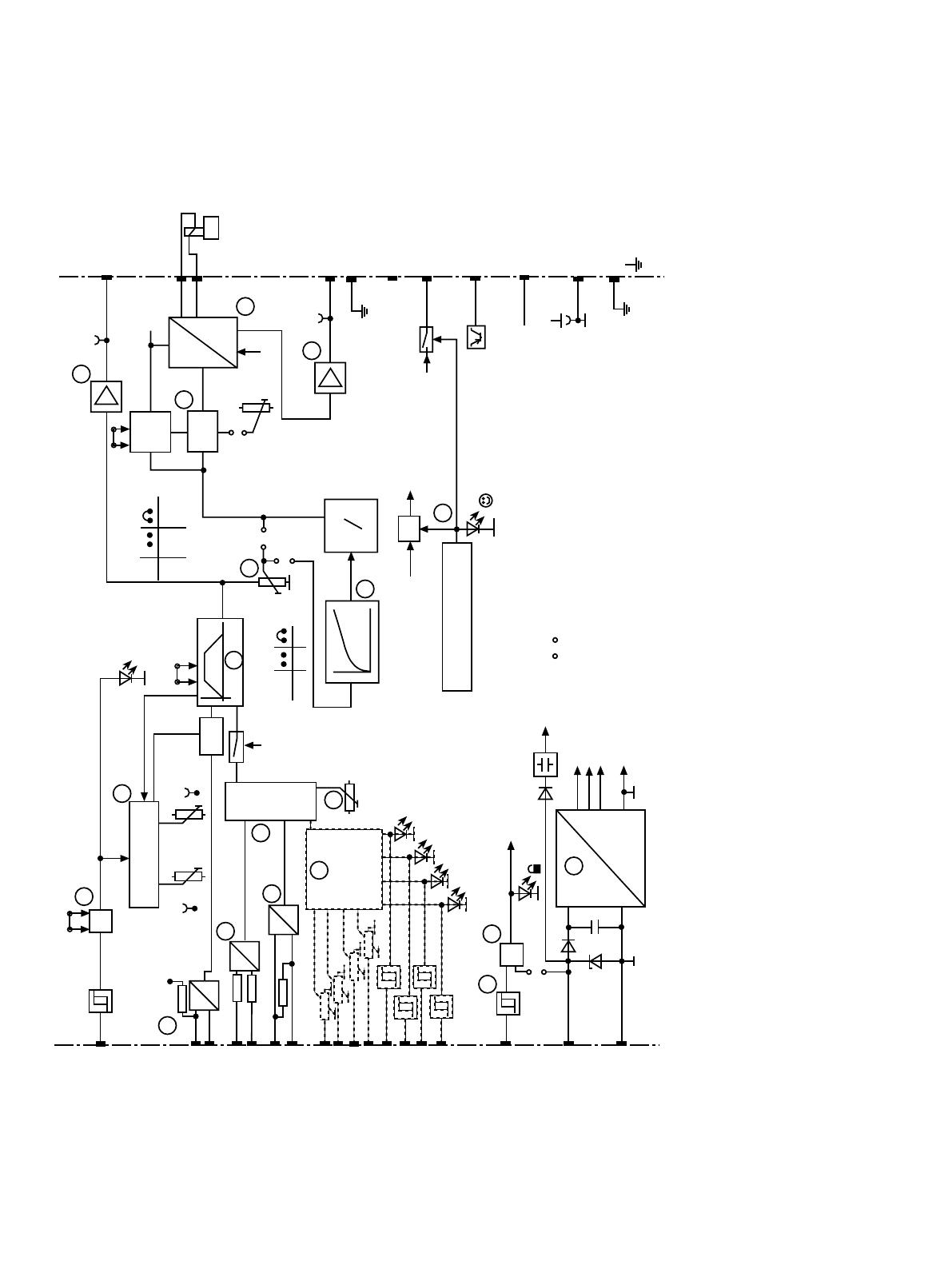
Formule:
t = 100 ms
UPrise / V
Rampe activée/désactivée (9)
À l'aide du cavalier J2 ou de l'entrée "Rampe activée/désac-
tivée" (9) (voir Affectation des bornes), le temps de rampe
est réglé sur un minimum (< 50 ms).
L'activation de la rampe est affichée à l'aide d'une DEL.
Entrée "Rampe
activée/désactivée" J2 DEL "T" Rampe
0 V Ouvert Allumée Activée
+24 V Ouvert Éteinte Désactivée
0 V Fermé Éteinte Désactivée
+24 V Fermé Allumée Activée
Réglage externe du temps de rampe (10)
À l'aide d'un potentiomètre externe ou d'une consigne de tension
externe (selon la formule sous "Générateur de rampe"), le temps
de rampe réglé à l'interne peut être prolongé. Le réglage peut
être contrôlé au moyen des prises de test. En cas de rupture de
câble, le préréglage interne est automatiquement valable.
La règle suivante est applicable au potentiomètre externe:
Plage de réglage *
RTemps de rampe min.
(potentiomètre en
butéegauche)
Temps de rampe max.
(angle de pivotement du
potentiomètre à env. 95%)
1 kΩ100 ms 1 s
100 Ω1 s 10 s
* Le temps de rampe minimal ne peut être atteint que si le temps de
rampe réglé à l'interne est inférieur, c'est-à-dire si le potentiomètre
correspondant est en butée gauche. Les temps de rampe données
sont applicables pour J3 = ouvert.
Générateur des courbes caractéristiques (11)
À l'aide du potentiomètre "Gw" (12), le courant maximal pour
l'électroaimant est réglé. Le signal de consigne est modifié dans le
générateur de courbes caractéristiques(11) de sorte qu'une courbe
caractéristique de consigne de pression linéaire (courbe caractéris-
tique de correction pour DBET-6X et DBEM...-7X) se produit. À cet
effet, le cavalier J4 doit être fermé et le cavalier J5 doit être ouvert.
Afin de désactiver la courbe caractéristique de correction, le cava-
lier J4 doit être ouvert et le cavalier J5 doit être fermé.
Limitateur d'amplitudes (12)
La valeur de consigne interne est limitée à env. +120 % de
la plage nominale.
Sortie de consigne (13)
0 % ≙ 0 V +100 % ≙ +10 V
Générateur d'horloge (14)
Dans le générateur d'horloge (14), une fréquence adaptée
àl'étage final est générée. La fréquence est influencée par
la tension d'alimentation.
Via le cavalier J6, une fréquence est générée en fonction du
signal de consigne (pour DBET-6X et DBEM...-7X). Pour
l'utilisation universelle, le cavalier J6 est à ouvrir.
L'ajustage de la fréquence via le potentiomètre "frequency"
peut être réalisé à l'aide du cavalier J7.
Exemple1:
(ajustage de la fréquence via un potentiomètre "frequency"
- sans dépendance des valeurs de consigne; J6=ouvert,
J7=fermé)
Plage de réglage: 210 Hz... 310 Hz ± 15 %
Exemple2:
(fréquence dépendant de la valeur de
consigne–J6=fermé)
450
0
50
100
150
200
250
300
350
400
0 20406080100
18 V
24 V
28 V
34 V
UB
Fréquence en Hz *
Consigne en %
* Tolérance: ±15 %
Le potentiomètre "frequency" permet de corriger la fré-
quence de > ±10 % (J6 et J7 fermés).
Étage fi nal de courant (15)
L'étage final de courant génère un courant d'électroaimant
cadencé pour le distributeur proportionnel.
La sortie de l'étage final est mise hors courant en cas d'un
signal d'erreur interne ou d'une validation manquante. La
sortie de l'étage final est résistante aux court-circuits
Sortie de valeurs réelles (16)
1 mA (IÉlectroaimant) ≙ 1 mV (sortie de valeurs réelles)
Détection de défauts (17)
Le câble d'électroaimant est surveillé pour détecter une
rupture de câble ou un court-circuit. S'il n'y a pas de défaut,
une tension > 16 V est fournie sur la sortie "Opérationnel" et
la DEL "Opérationnel" s'allume.
En cas d'un défaut, le comportement est le suivant:
Sortie DEL
Court-circuit Low Éteinte
Rupture de câble Cadence Clignote