
C.P.G.E-TSI-SAFI Les multivibrateurs
M
r
BENGMAIH - 2 -
−
Croît, lorsqu’elle atteint
1
1 2
R
R R
=+,
<
et il y a basculement de
à
.
Soit cet instant t
1
; ce pendant la nouvelle valeur de
devient :
1
1 2
R
R R
+
+
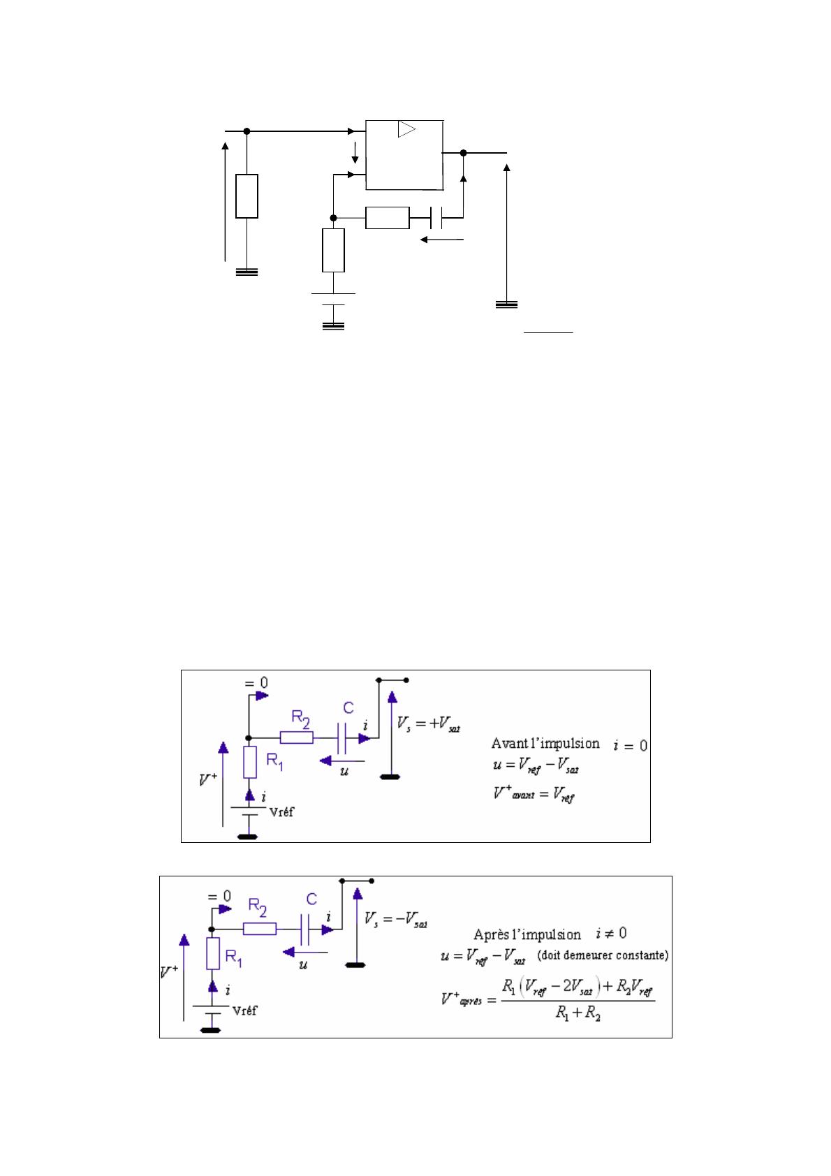
La loi des mailles donne :
s
V Ri V
−
, or .
i c
=d’où
.
dV
dt
−
−
, dont la solution s’écrit
( )
1
.
t t
RC
λ
−
−
−
= − où
1
λ λ
−
= = = − ⇒= + . Finalement :
( ) ( )
( )
1
t t
RC
−
−
−
= + − .
C’est une décharge du condensateur pour atteindre à l’infin -
.
Mais lorsque
−
atteint
1
1 2
R
R R
= − +
;
et la sortie bascule à
à l’instant t
2
.
Ce pendant
1
1 2
R
R R
+
+
, et C se charge via R pour atteindre
.
.
dV
dt
−
−
, dont la solution s’écrit .
t
RC
λ
−
−
= + où
2
λ λ
−
. Finalement :
( ) ( )
( )
2
t t
RC
−
−
−
= − + + .
−
Croît, lorsqu’elle atteint
1
1 2
R
R R
=+
,
<
et il y a basculement de
à
.
Soit cet instant t
3
; ainsi un nouveau cycle peut recommencer.
3. Chronogrammes
:
-V
Sat
+V
Sat
1
1 2
R
R R
= − +
1
1 2
R
R R
=+
V
V
S
t
1
t
2
t
3
T
t
t
Figure 3
4. Calcul de la période T de l’astable
:
L’état bas du signal Vs de t
1
à t
2
:
( ) ( )
( )
2 1
2
t t
RC
−
−
−
2 1
ln
V V
t t
RC V V
+
−
⇒− =
+