Examen Analyse Fabrication Mécanique - Support d'Axe

Telechargé par Julien Vikpe
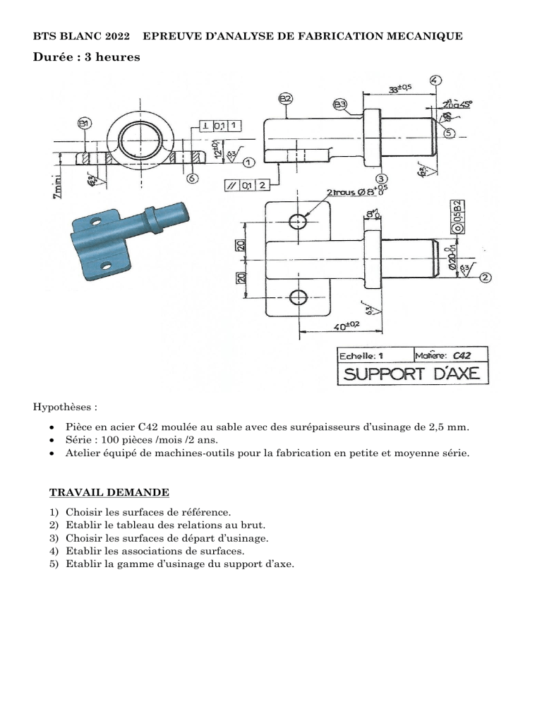
BTS BLANC 2022 EPREUVE DANALYSE DE FABRICATION MECANIQUE
Durée : 3 heures
Hypothèses :
Pièce en acier C42 moulée au sable avec des surépaisseurs dusinage de 2,5 mm.
Série : 100 pièces /mois /2 ans.
Atelier équipé de machines-outils pour la fabrication en petite et moyenne série.
TRAVAIL DEMANDE
1) Choisir les surfaces de référence.
2) Etablir le tableau des relations au brut.
3) Choisir les surfaces de départ dusinage.
4) Etablir les associations de surfaces.
5) Etablir la gamme dusinage du support daxe.
Croquis du support daxe
Croquis du support daxe
1 / 3 100%
La catégorie de ce document est-elle correcte?
Merci pour votre participation!

Faire une suggestion

Avez-vous trouvé des erreurs dans l'interface ou les textes ? Ou savez-vous comment améliorer l'interface utilisateur de StudyLib ? N'hésitez pas à envoyer vos suggestions. C'est très important pour nous!