
electroussafi.ueuo.com 2/4
N. ROUSSAFI electroussafi.ueuo.com Théorème de Millman
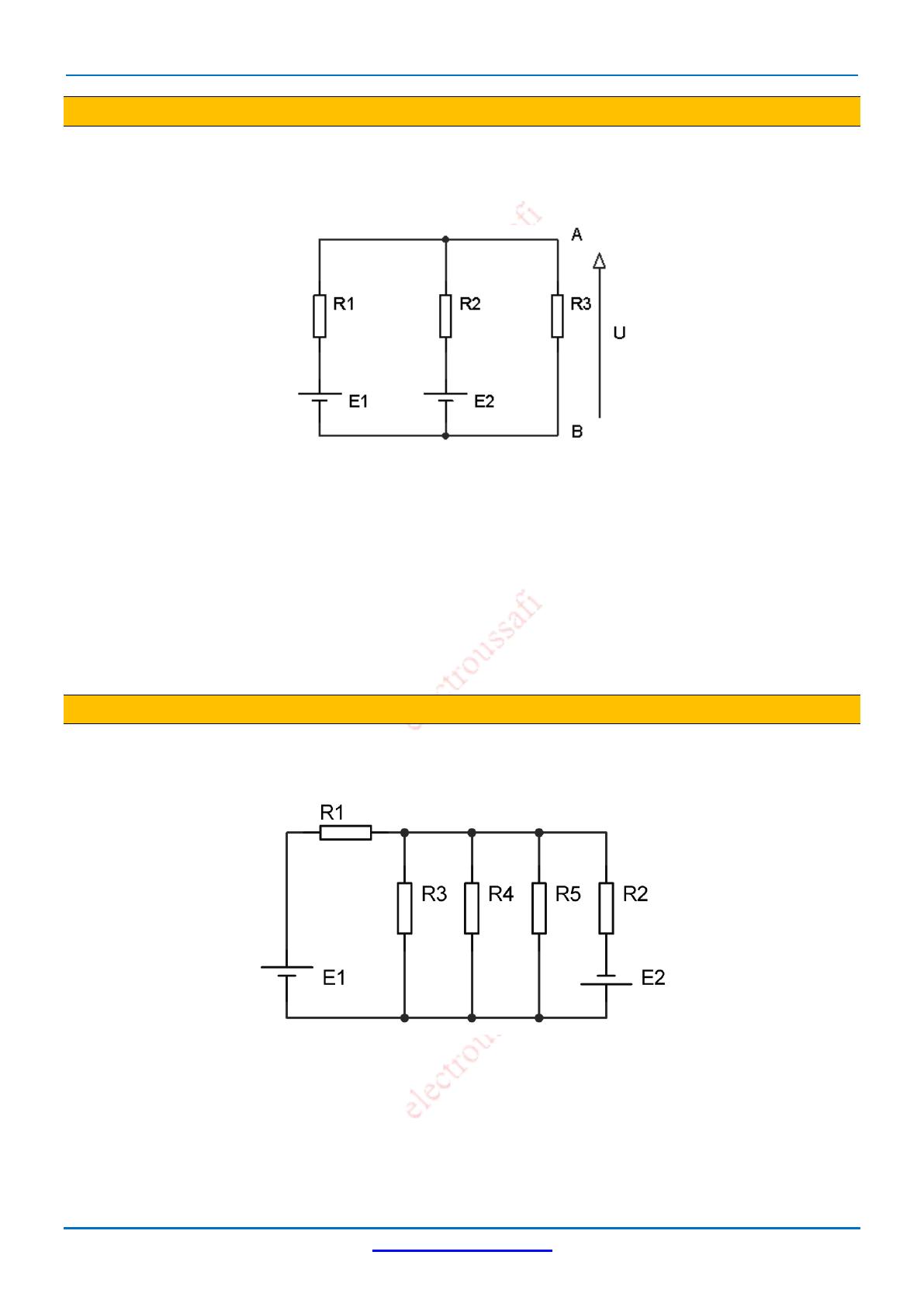
Exercice 1
Soit le circuit électriquesuivant :
On donne: E1 = 5V E2 = 12V R1 = 1kΩ R2 = R3 = 2kΩ
1. Calculer la ddp U entre les points A et B.
2. Calculer et indiquer le sens du courant dans chaque résistance
3. Vérifier la loi des nœuds
Exercice 2
Soit le circuit électrique suivant :
E1 = 10V E2 = 5V R1 = R2 = 1kΩ R3 = R4 = R5 = 1,5kΩ
1. Calculer et indiquer le sens du courant qui circule dans chaque résistance
2. Vérifier la loi des nœuds