Liaisons Chimiques : Corrigé de TD pour la Chimie Universitaire

Telechargé par lokop3256
1
Université de Batna2 ; Faculté de médecine ; Département de médecine 1ère année
médecine (2021/2022)
Corrigé TD N0 04
Liaisons Chimiques
Exercice N° 01:
Ecrire les formules de Lewis des composés suivants : CO2 ; HClO3 ; HClO4 ; POCl3 ; SO2 ;
N2H2 ; CO3-2. On donne : 1H, 6C, 7N, 8O, 9F, 15P, 16S, 17Cl.
2
3
Exercice N°02:
-Sachant que la polarisation des liaisons est liée à la différence des électronégativités des atomes
liés. On donne les électronégativités des éléments suivants en (eV) : H=2,1 ; Li=0,98 ; O=3,16 ;
Cl=3,16 ; S= 2,6 ; P=2,2 ; F=4,0.
Classer les liaisons suivantes selon l’ordre croissant de polarité : O H , H―Li , H―F , P―Cl,
S―H.
Liaison
O H
H―Li
H―F
P―Cl
S―H
Polarité (eV)
1,06
1,12
1,9
0,96
0,5
4
-Classement selon l’ordre croissant de polarité des liaisons :
Exercice N°03:
I. Le moment dipolaire de la liaison NO vaut 0,153D et la distance interatomique dans NO
est 1,150.
2-Calculer le caractère ionique partiel de NO.
II. Le moment dipolaire de la liaison Li―H est μ = 5,88 Debyes. Son caractère
ionique partiel est de 77%. Calculer la longueur de la liaison
On donne : 1D = 3,33.10-30 C.m ; e = 1,6.10-19 C.
Solution :
I. Le caractère ionique partiel de NO :
  

   
     
II. la longueur de la liaison Li-H :
  
 
  

  
      
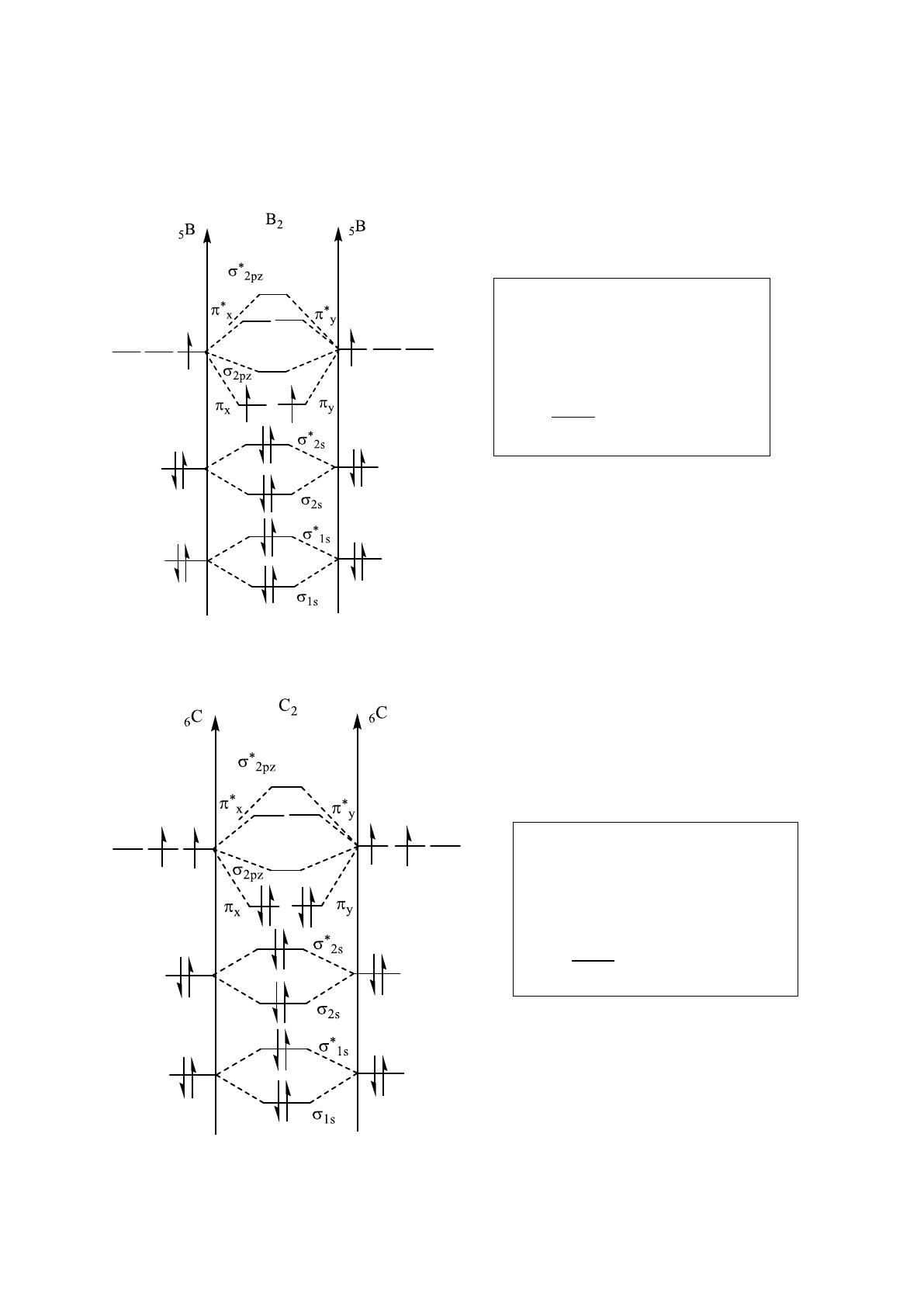
Exercice N°04
Soient les molécules suivantes de B2, C2.et F2
1. Tracer le diagramme énergétique, déterminer la configuration électronique, l'ordre de
liaison et les propriétés magnétiques de chacune de ces molécules.
2. Classer par ordre croissant de longueurs de liaisons des espèces suivantes :
F2 ; F2+ ; F2+2 ; F2- ; F2-2
3. Tracer le diagramme énergétique de la molécule de CO. Déterminer la configuration
électronique et l'ordre de liaison de la molécule de CO.
4. Comparer la stabilité et les propriétés magnétiques des molécules suivantes : CO, CO-, et
CO+.
On donne : 5B, 6C, 8O, 9F.
S-H < P-Cl < O-H < H-Li < H-F
5
Solution :
1.
Configuration électronique :
B2 :s2s*2s2s*2 x1 y1.
B2 est Paramagnétique.
   
 
Configuration électronique :
C2 :s2s*2s2s*2 x2 y2.
C2 est Diamagnétique.
   
 
1 / 14 100%
La catégorie de ce document est-elle correcte?
Merci pour votre participation!

Faire une suggestion

Avez-vous trouvé des erreurs dans l'interface ou les textes ? Ou savez-vous comment améliorer l'interface utilisateur de StudyLib ? N'hésitez pas à envoyer vos suggestions. C'est très important pour nous!