Compteurs Synchrones: Exercices Bascules JK & D

Telechargé par Baha Abdssalam
Logique Combinatoire et séquentielle 1/4
Table de vérité dune bascule JK
Pour réaliser des compteurs synchrones à base
suivante :
des bascules JK, on utilise la
table
Qn : état actuel
Qn+1 : état suivant
x : indifférent (x = 0 ou x = 1)
Table de vérité dune bascule D
Qn+1 = Dn
T.CHIKOUCHE
Compteurs synchrones
Q3
Q2
Q1
Q0
D3
D2
D1
D0
Etat actuel
1
0
1
0
1
0
0
1
Etat suivant
1
0
0
1
Dn
Qn+1
0
0
1
1
Q3
Q2
Q1
Q0
J3
K3
J2
K2
J1
K1
J0
K0
état actuel
1
0
1
0
x
0
0
x
0
x
1
x
état suivant
1
0
0
1
Qn
Qn+1
J
K
0
0
0
x
0
1
1
x
1
0
x
1
1
1
x
0
J
K
Q
0
0
Q0
0
1
0
1
0
1
1
1
̅
Q0
Rappel :
TD 08 Compteurs
synchrones
univdocs.com
Logique Combinatoire et séquentielle 2/4
En utilisant les bascules JK, étudier et donner les schémas des compteurs suivants :
1.
2.
Compteur synchrone modulo 10
Compteur synchrone qui compte de la façon suivante :
→ 0 → 3 → 5710 12
En utilisant les bascules D à front montant dhorloge, étudier et donner les schémas
des compteurs suivants :
1. Compteur synchrone modulo 8
2. Compteur synchrone qui a compte de la façon suivante :
→ 0 → 3 → 5 → 7
T.CHIKOUCHE
Compteurs synchrones
Exercice 2
Exercice 1
univdocs.com
Logique Combinatoire et séquentielle 3/4
1.
2.
Déterminer les équations des entrées J et K des bascules.
On suppose que le compteur part de l'état QDQCQBQA= 0000. Compléter le tableau
suivant et tracer les chronogrammes de l'horloge H et des sorties QA, QB, QCet QD.
3.
Déterminer le modulo de ce compteur.
T.CHIKOUCHE
Compteurs synchrones
QD
QC
QB
QA
JD
KD
JC
KC
JB
KB
JA
KA
0
0
0
0
Exercice 3
univdocs.com
Logique Combinatoire et séquentielle 4/4
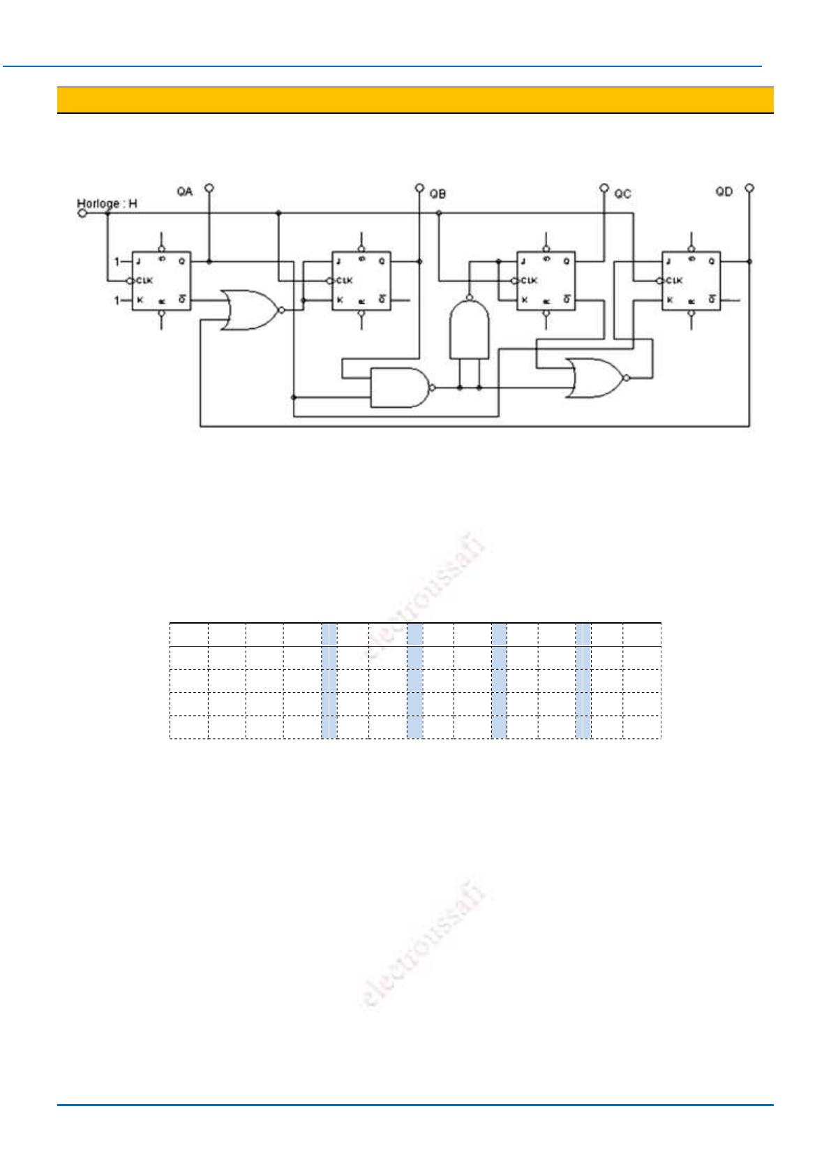
Analyser le fonctionnement du compteur suivant :
1.
2.
Donner les équations des entrées J et K des 3 bascules.
On suppose que le compteur par de l'état QCQBQA= 000. Compléter le tableau
suivant et tracer les chronogrammes de l'horloge H et des sorties QA, QBet QC.
3.
4.
Déterminer la séquence réalisée par ce compteur.
Déterminer les fréquences fC, fBet fAdes sorties QC, QBet QAen fonction de la
fréquence de lhorloge fH.
Déterminer les rapports cycliques αC, αBet αAdes sorties QC, QBet QA.
T. CHIKOUCHE
Compteurs synchrones
QC
QB
QA
JC
KC
JB
KB
JA
KA
0
0
0
Exercice 4
univdocs.com
Logique Combinatoire et séquentielle 1/8
1. Compteur synchrone modulo 10
A partir de la table (Q0, J0, K0) on peut tirer J0= K0= 1
Q
1
Q
0
Q3Q200
01
11
10
Les cases 10 à 15 ne
sont pas utilisées
(compteur modulo
10).
On peut, donc, les
remplir par des x.
00
01
11
10
J1
K1
̅
̅
J1
K1
T.CHIKOUCHE
Compteurs synchrones
Q1Q0
Q3Q2
00 01 11 10
00
01
11
10
0
x
1
x
0
x
1
x
x
x
x
x
0
0
x
x
Q1Q0
Q3Q2
00 01 11 10
00
01
11
10
0
1
x
x
0
1
x
x
x
x
x
x
0
0
x
x
Q1Q0
Q3Q2
00 01 11 10
00
01
11
10
x
x
x
x
x
x
0
1
3
2
4
5
7
6
12
13
15
14
8
9
11
10
Etat
Q3
Q2
Q1
Q0
J3
K3
J2
K2
J1
K1
J0
K0
0
0
0
0
0
0
x
0
x
0
x
1
x
1
0
0
0
1
0
x
0
x
1
x
x
1
2
0
0
1
0
0
x
0
x
x
0
1
x
3
0
0
1
1
0
x
1
x
x
1
x
1
4
0
1
0
0
0
x
x
0
0
x
1
x
5
0
1
0
1
0
x
x
0
1
x
x
1
6
0
1
1
0
0
x
x
0
x
0
1
x
7
0
1
1
1
1
x
x
1
x
1
x
1
8
1
0
0
0
x
0
0
x
0
x
1
x
9
1
0
0
1
x
1
0
x
0
x
x
1
0
0
0
0
0
Exercice 1
TD 08 Compteurs
synchrones (Correction)
univdocs.com
1 / 12 100%
La catégorie de ce document est-elle correcte?
Merci pour votre participation!

Faire une suggestion

Avez-vous trouvé des erreurs dans l'interface ou les textes ? Ou savez-vous comment améliorer l'interface utilisateur de StudyLib ? N'hésitez pas à envoyer vos suggestions. C'est très important pour nous!