TP BTS Page 1 sur 10
Support : Programme et maquette exxotest DTM 7020
Pré requis (l’élève doit savoir):
- Connaître le fonctionnement des éléments électriques de base (diode, transistor).
- Comprendre un schéma électrique.
Objectif terminale :
L’élève doit être capable d’après la documentation technique des schémas électriques, d’expliquer le fonctionnement
de lalimentation dun moteur électrique en automobile.
1. Fonction hacheur
Remplir le tableau ci-dessous en fonction du pourcentage vitesse max
Pourcentage
vitesse max (%)
Valeur tension
moyenne
Durée tension de
crête (C)
Période (T)
Rapport (C/T)
0
20
40
60
80
100
TP STI1
Variation de vitesse des moteurs à courant continu
en automobile
TP BTS Page 2 sur 10
Que remarquez-vous entre le rapport C/T et le pourcentage vitesse max
Déterminer une relation entre la vitesse du moteur, sa vitesse max et le rapport C/T
Vm =
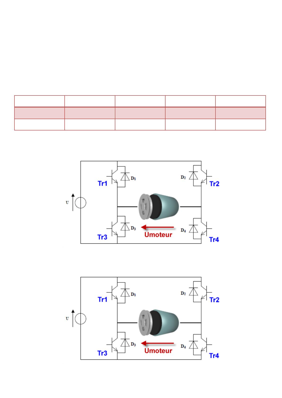
1.2. Pont en H
Déterminer la valeur binaire des transistors pour chaque sens de rotation
Sens de rotation
Tr1
Tr2
Tr3
Tr4
Positif
Négatif
Tracer la circulation du courant pour chaque sens et entourer les transistors passant
Sens positif
Sens négatif
TP BTS Page 3 sur 10
1.3. Moteur pas à pas
Pour chaque vitesse tracer la courbe du courant i1 et i2
Vitesse Min
Vitesse 0,25 de Max
TP BTS Page 4 sur 10
Vitesse 0,75 Max
Vitesse Max
Que remarquez-vous au niveau des courbes en fonction de la vitesse (qu’est ce qui change et ne change
pas)
TP BTS Page 5 sur 10
2. Moteur à essuie glace
Réaliser le montage suivant sur la maquette DTM7020
1 / 10 100%
La catégorie de ce document est-elle correcte?
Merci pour votre participation!

Faire une suggestion

Avez-vous trouvé des erreurs dans l'interface ou les textes ? Ou savez-vous comment améliorer l'interface utilisateur de StudyLib ? N'hésitez pas à envoyer vos suggestions. C'est très important pour nous!