
Exercices sur les capteurs
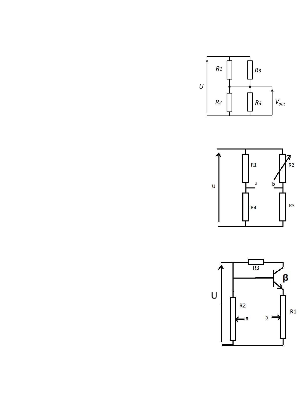
EX01
1- Trouver la relation Vout en fonction de ∆R si R1=R3=R0+∆R et R2=R4=R0-∆R
2- Le capteur est-il linéaire ? pourquoi ?
3- Proposer un circuit capable de donner à sa sortie une
tension Uc=∆R
EX02
Soit le circuit de la figure suivante. R1=654 Ω, R2=661 Ω et R3=2000 Ω.
La résistance R1 est variable en fonction de l’éclairement.
On considère deux cas : la présence et l’absence de la lumière. Dans le
premier cas (présence de la lumière), la résistance est de 200Ω. Dans le
deuxième cas, la résistance est de 20kΩ.
On place une diode électro électroluminescence entre les points a et b (a est
connecté à l’anode et b connecté à la cathode). cette diode s’allume quand
elle est polarisée en directe.
Déterminer mathématiquement l’état de la diode (allumée ou non) dans les
deux cas. Calculer le courant traversant la diode dans le cas où la diode est allumée.
EX03
Soit le circuit suivant. On suppose que le transistor est on régime
d’amplification linéaire :
Les résistances R1 et R2 sont des potentiomètres de longueur L et de
résistance totale R0. On note Xa le déplacement du curseur a de la
résistance R2 et Xb le déplacement du curseur b de la résistance R1. Les
curseurs sont aux milieux des deux résistances quand Xa=0 et Xb=0.
Calculer la tension Uab en fonction des déplacements Xa et Xb.