Sliding Mode Control: A Mini-Project on Van der Pol Oscillator

Telechargé par kamelchiron
REPUBLIQUE ALGERIENNE DEMOCRATIQUE ET POPULAIRE
MINISTERE DE L’ENSEIGNEMENT SUPERIEUR ET DE LA RECHERCHE SCIENTIFIQUE
UNIVERSITE M’HAMED BOUGARA-BOUMERDES
Faculté de Technologie
Département Ingénierie des Systèmes Electriques
Mini-Projet
Présenté par
MAIZ HADJ AHMED Mustapha Kamel
Spécialité : MCIL Automatique
Commande par Mode Glissant
Année Universitaire : 2024/2025
Sliding Mode Control
Sliding mode control (SMC) is a control technique where you define a sliding surface that the system state trajectory converges
to and remains on. This sliding surface is designed such that it is insensitive to disturbances and uncertainties in the system.
Once the system state trajectory is on the sliding surface, the controller uses a feedback control law to drive the system state
trajectory to the desired state along the sliding surface. Consider a dynamic system characterized by the following differential
equation:
f(x,t) represents the inherent system dynamics.
g(x,t) is an input function that modulates the effect of the control input u(x,t) on the system.
d(t)denotes an external disturbance influencing the system behavior over time.
Switching Function
Introduce the switching function which is also known as the sliding Function:


The structure of the sliding mode control law is determined on the basis of the value of the switching function.
The existence and convergence conditions are the criteria that allow the various dynamics of the system to converge towards
the sliding surface and to remain there independently of the disturbance. There are two considerations to ensure the
convergence mode.
1. direct switching function:
This is the first convergence condition proposed and studied by (Emelyanov., 1967) and (Utkin., 1977). It involves giving the
surface a dynamic convergent towards zero. It is given by:
2. LYAPUNOV function: This is the second condition for convergence. The Lyapunov function is a positive scalar
function  for the state variables of the system. We define the Lyapunov function as follows:
The derivative of this function is: 
For the function V(x) to decrease and converge towards zero, all we need to do is ensure that its derivative is negative.
The equivalent Control
Achieving a sliding regime requires discontinuous control. The sliding surface should be attractive on both sides. So, if this
discontinuous control is indispensable, it does not prevent a continuous part from being added to it. The continuous part is
designed to reduce the amplitude of the discontinuous part as much as possible. In the presence of a disturbance, the role of
the discontinuous part is essentially to verify the conditions of attractiveness: to force the system to follow the imposed
trajectory, we simply need to make S=0 attractive. To do this, we add a command Un to the equivalent command in the form:


The necessary condition for the system states to follow the trajectory defined by the sliding surfaces is S=0 which
brings us back to the definition of the equivalent control.
Application
Circuit Definition
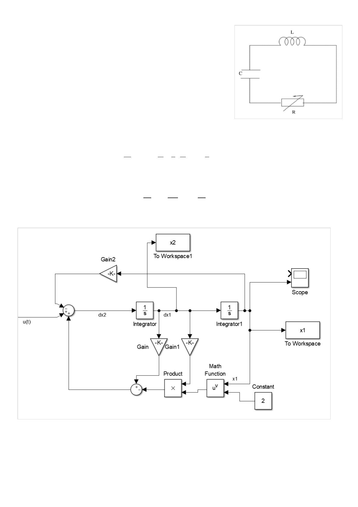
The van der Pol oscillator, which was discovered by van der Pol (1926), is a
nonconservative stable oscillator, and was termed as a relaxation oscillator on its
discovery. This oscillator has been frequently employed for the investigation of
the properties of nonlinear oscillators and various oscillatory phenomena in
physical and biological fields, such as analyses of electrical circuits and models of
the heartbeat, as well as the action potential in neurons.
Equations and state space representation




Function bloc SIMULINK
Phase Plan
System response
SMC Applying
Control law Building
We have the Switching Function: 

The equivalent control Ueq is derived by setting :


We add the command Un :


Function inputs
Control law (S-Function)
1 / 6 100%
La catégorie de ce document est-elle correcte?
Merci pour votre participation!

Faire une suggestion

Avez-vous trouvé des erreurs dans l'interface ou les textes ? Ou savez-vous comment améliorer l'interface utilisateur de StudyLib ? N'hésitez pas à envoyer vos suggestions. C'est très important pour nous!