Exercices Commande Électronique Moteurs: Redresseurs & Thyristors

Telechargé par hassnaeechanti4
ISTA BERKANE Electromécanique des systèmes automatisés -- Mr ABDALLAH Issam 1
TD Commande électronique des moteurs -- ISTA BERKANE
Exercice1 :
Soit le montage redresseur en pont. U = 48V- 50Hz
1. Préciser les conductions des diodes et la relation entre uc et u dans chaque intervalle. Tracer uc(t)
2. Donner les expressions de la valeur moyenne et de la valeur efficace de uc en fonction U. Calculer ces
valeurs.
3. Quel type d’appareil doit-on utiliser pour mesurer ces 2 valeurs ?
Exercice2 :
Un pont mixte monophasé soumis à la tension v = V2 cos (100πt), débite dans une résistance R =100 Ω.
1. Lorsque vA>vB, expliquer pourquoi le thyristor T1 s'amorce lorsqu'il reçoit une impulsion de gâchette.
2. On veut obtenir dans R un courant i tel que imoy = 3 A lorsque α = 0 (angle de retard à la conduction
des thyristors Tl et T2). Quelle valeur doit-on donner à V ?
3. V ayant la valeur précédemment calculée, α prend maintenant la valeur π/4.
a. Quelle est, durant une période de v, la durée de conduction de chacun des thyristors ?
b. Représenter, en fonction du temps, pour une période de v, le graphe du courant dans la charge R.
c. Calculer la valeur moyenne de l'intensité du courant dans R.
Exercice3 :
Un montage en pont à diodes est alimenté par un transformateur 220/48V. La charge est constituée d'un
moteur de f.é.m. E et de résistance R = 2 . Le courant est parfaitement lissé : ic= Ic = icmoy = 2A. La
tension représentée sur les différents graphes ci-contre est u(t).
1. Tracer uc(t), ic(t) et uM(t). Préciser dans chaque intervalle la
conduction des diodes et la relation entre uc(t) et u(t).
2. Calculer ucmoy, Pc (puissance dans la charge) et E.
3. Tracer les graphes de id2(t) et ud2(t) (courant dans la diode D2
et tension à ses bornes)
4. Préciser pour chaque intervalle la relation entre i et ic. Tracer le
graphe i(t). (courant d'alimentation du pont). Calculer la valeur
efficace de ce courant.
ISTA BERKANE Electromécanique des systèmes automatisés -- Mr ABDALLAH Issam 2
TD Commande électronique des moteurs -- ISTA BERKANE
Exercice4 :
Pour tout l’exercice le courant dans la charge est considéré comme constant égal à Ic = 10 A. Les diodes
sont considérés comme parfaits
1. Enoncez la règle permettant de savoir quelle diode conduit si plusieurs ont leur cathode commune.
2. Enoncez la règle permettant de savoir quelle diode conduit si plusieurs ont leur anode commune.
3. Hachurez les instants où chaque interrupteur conduit
4. En déduire Vc. Tracer Vc.
5. En déduire VK1. Tracer VK1.
6. Compléter les lignes iK1, iK2.
7. Quelle est la valeur moyenne de iK1.
8. Reprendre les questions de 3 à 7 en remplaçant les diodes par des thyristors. Les impulsions de
gâchette se font à 108° (modulo 180°).
V
-V
iK1
i
2V
-2V
ISTA BERKANE Electromécanique des systèmes automatisés -- Mr ABDALLAH Issam 3
TD Commande électronique des moteurs -- ISTA BERKANE
Exercice5 :
Un pont redresseur tout thyristor est alimenté par le réseau qui fournit une tension sinusoïdale de tension
efficace U = 400 V et de fréquence 50 Hz. Les thyristors sont considérés comme parfaits : Th1 et Th3
d'une part, Th2 et Th4 d'autre part, sont commandés de manière complémentaire avec un retard à
l'amorçage noté Ψ. On admet que le courant Ic fourni par le pont à thyristors est parfaitement lissé grâce à
l'inductance LF (IC = constante).
1. Pour
représenter la tension Uc à la sortie du pont en indiquant les thyristors passants et le
courant i fourni par le réseau.
2. Montrer que, pour une valeur quelconque de Ψ, la tension moyenne à la sortie du pont a pour
expression :
3. Quel type de fonctionnement obtient-on pour
si on parvient, en modifiant le dispositif, à
maintenir constant le courant IC?
4. Pour
Ic = 40A Calculer la valeur efficace I du courant fournit par le réseau.
ISTA BERKANE Electromécanique des systèmes automatisés -- Mr ABDALLAH Issam 4
TD Commande électronique des moteurs -- ISTA BERKANE
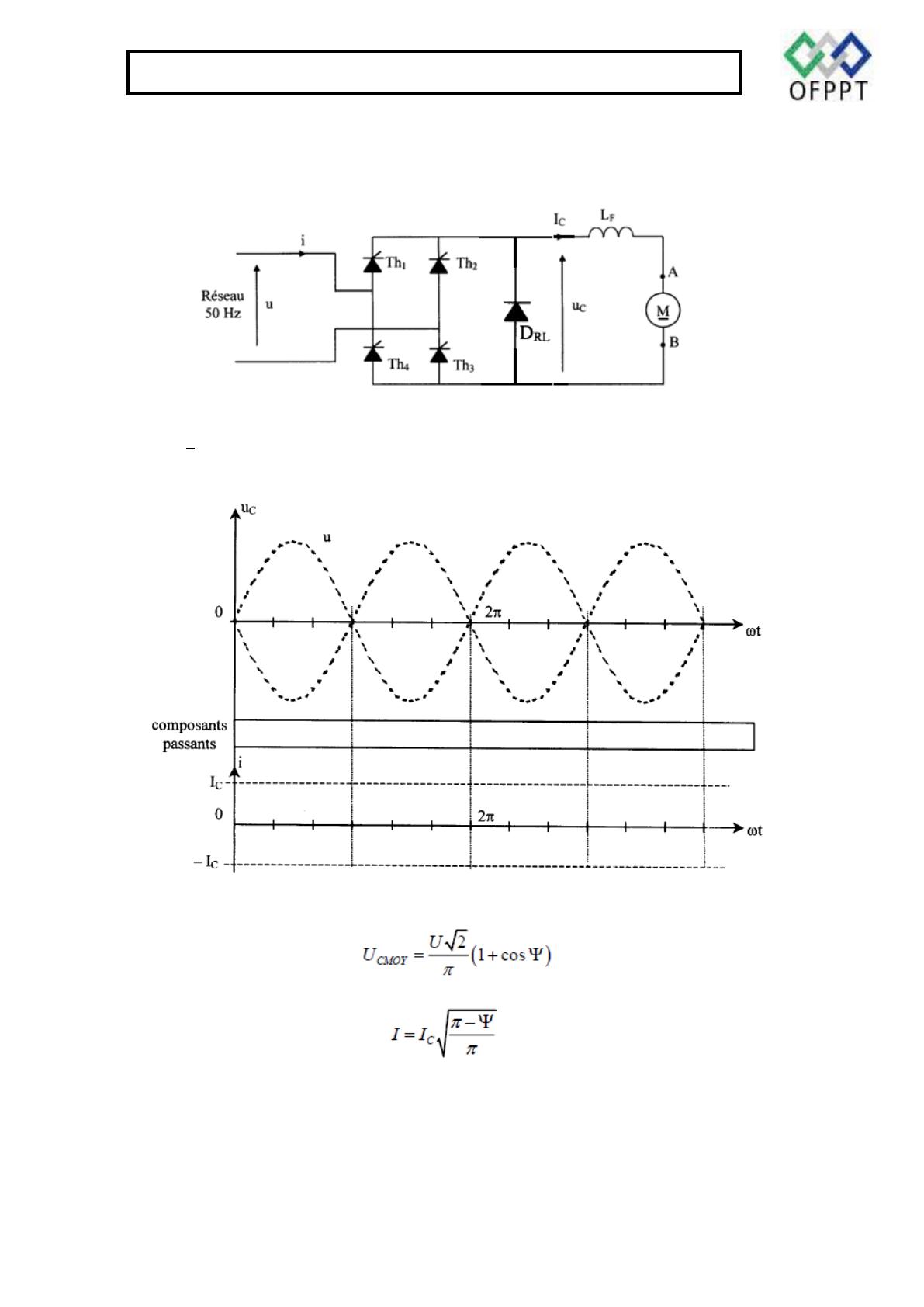
On place à la sortie du pont précédent une diode de «roue libre» DRL. La tension sinusoïdale du réseau est
inchangée (U = 400 V ; f = 50 Hz). On admet encore que le courant IC fourni par le pont à thyristors est
parfaitement lissé grâce à LF.
5. Pour
représenter la tension Uc à la sortie du pont en indiquant les composants passants et le
courant i fourni par le réseau.
6. Montrer que, pour une valeur quelconque de Ψ, la tension moyenne à la sortie du pont a pour
expression :
Et la valeur efficace du courant i :
7. Ce pont est-il réversible (susceptible de fonctionner en onduleur) ? Justifier votre réponse.
ISTA BERKANE Electromécanique des systèmes automatisés -- Mr ABDALLAH Issam 5
TD Commande électronique des moteurs -- ISTA BERKANE
Exercice6 :
La figure ci-dessous représente le pont redresseur à diodes d’un variateur de vitesse. V1, V2 et V3 sont
les 3 tensions simples du réseau de valeur efficace V=230V, 50Hz. Les 6 diodes du pont sont supposées
idéales.
On suppose que le courant i dans la charge est tel que i = I = Constante.
(Charge fortement inductive)
1 / 17 100%
La catégorie de ce document est-elle correcte?
Merci pour votre participation!

Faire une suggestion

Avez-vous trouvé des erreurs dans l'interface ou les textes ? Ou savez-vous comment améliorer l'interface utilisateur de StudyLib ? N'hésitez pas à envoyer vos suggestions. C'est très important pour nous!