
2/19
UVSQ Maîtrise EEA 2002-2003
Optoélectronique
Contrôle continu d’Optoélectronique
(Documents et calculatrice autorisés - 2 heures)
Exercice 2 : (12 points)
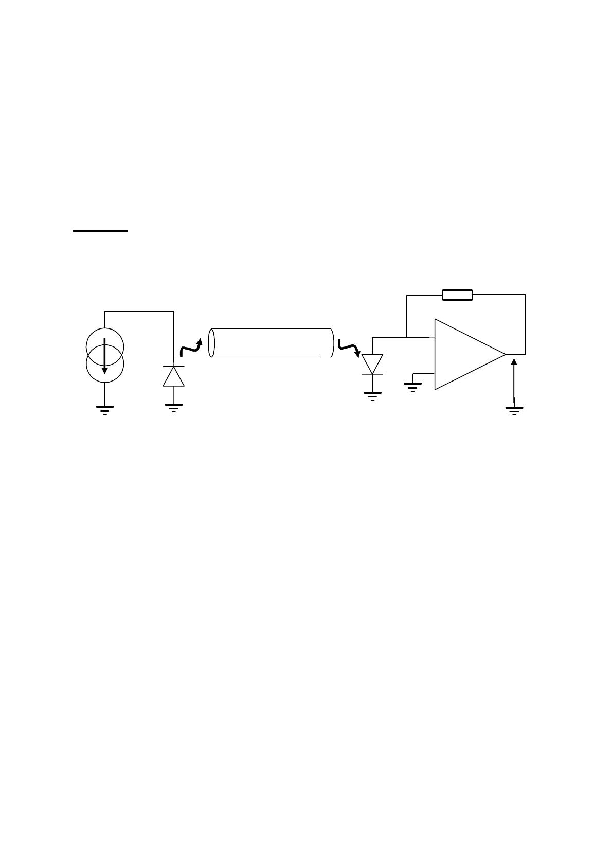
On considère le schéma de principe du système de transmission de la Figure 1 :
-
+
DL
I(t)
Canal de transmission
optique à 1330 nm
Photodiode
Vs(t)
R = 100 Ω
Figure 1
Les caractéristiques des composants utilisés sont en annexes. Le canal de transmission
est dimensionné pour 1330 nm. Il comprend un système de collimation, une fibre optique et
un connecteur de sortie. On supposera l’ensemble parfait.
1 – Dans un premier temps, I(t) est un courant constant de polarisation : I(t) = I1. Quel signe
doit avoir I1, et quelle valeur peut-on prendre si l’on veut se polariser au milieu de la
caractéristique de la diode ? Quelle est alors la puissance optique nominale émise sur le
canal ?
2 – La source de courant I(t) est maintenant modulée en amplitude afin de transmettre une
information sous forme binaire dans le canal. I(t) vaut alternativement I1 pour coder un « 1 »
logique et I0 = 20 mA pour coder un « 0 » logique. Représentez les chronogrammes de I(t), de
P(t) la puissance optique dans le canal, et de Vs(t) pour la séquence de codage suivante :
« 010110 ». Le temps correspondant à un moment d’information est de 1 µs.
3 – Faire un bilan des sources de bruit de l’étage de photodétection, en considérant que la
diode laser est alimentée par I1 précédemment calculé. On donnera l’expression de ces
sources de bruit sous forme de sources de bruit de courant, et on cherchera leurs valeurs
numériques. Quelle est la source de bruit limitative ? Calculer le rapport signal à bruit en
sortie dans le cas d’un « 1 » logique, dans une bande de 1 MHz.
4 – Dans le cas d’un « 0 » logique, quelle est la source de bruit limitative ?