
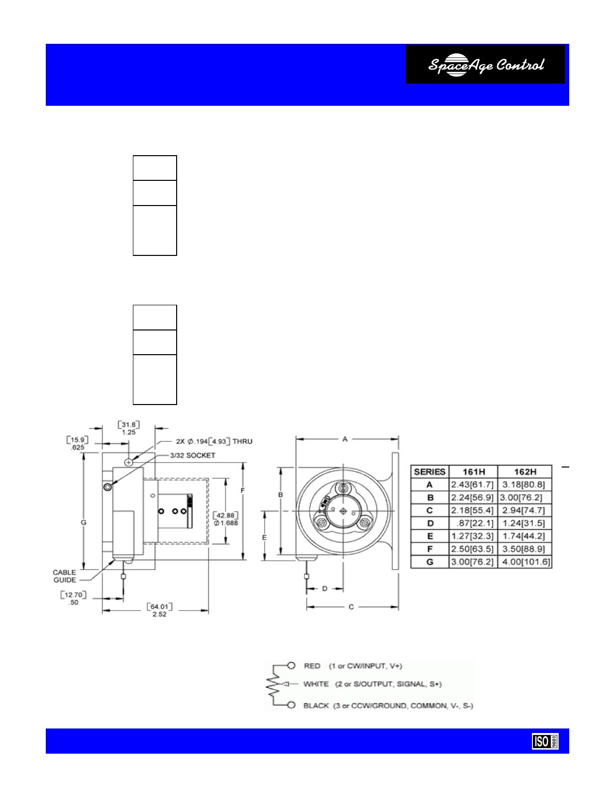
Séries 161H & 162H
Capteurs de Position à Sortie Analogique à Haute Tension de Câble Version 2006 page 1 de 3
CARACTERISTIQUES PRINCIPALES
Haute Tension de Câble pour une Meilleure Réponse en Fréquence
Course Maximum 1 080 mm (Série 162)
Sortie Analogique Utilisant des Potentiomètres Plastiques ou Hybrides de Précision
Poulie Rainurée pour Améliorer la Répétabilité
Composants Tournants Montés sur Roulements
Bases de montage Optionelles
Fixation directe sur la poulie, pas de jeu ni de ressorts de torsion ou de patinage
SPECIFICATIONS DU POTENTIOMETRE
Résistance : Valeur, Tolérance
Course : Electrique, Mécanique
Erreur Maxi. De Linéarité
Résistance du Diélectrique
Température de Fonctionnement
Aluminium anodisé 2024 usiné avec précision
Diamètre 0,46-mm, acier inox 7 brins tressés,force de rupture mini 177N . . Une longueur mini. de 305 mm
de câble de traction est fournie avec un manchon non serti et un anneau de traction pour fixation
à l'application. Le kit d'installation 160001-01 est disponible en cas de besoin.
Trois broches à souder. Des sorties spécifiques avec câbles et connecteurs sont disponibles sur demande.
NEMA 4 / IP 56, DO-160D Env. Cat. E1E1ABXHRFDFSAXXXXXXXXXX (avec capot de protection optionnel)
Ces spécifications peuvent être modifiées sans préavis.
12, rue Traversière 92230 Gennevilliers Fax:0147333220 Site web:www.alliantech.com
AUTRES SPECIFICATIONS
Une alternative souple pour remplacer les capteurs de type LVDT ou à Potentiomètres Linéaires
3 Broches (1, 2, 3) 3 Broches (CW, CCW, S)
± 400 ppm/°C ± 0,007 %/°C
10 à 2 000 Hz à 15 g
0,35 % max.
± 0,35% suivant VRCI-P-100A
5 millions de Rotations de l'axe
50 g durée 11 ms 100 g durée 6 ms
10 à 2 000 Hz à 15 g
1 000 VDC
infinie
-40° à 125°C -55° à 125°C
infinie
1 000 VDC
100 Mohms à1 000VDC min
± 1,0 % suivant VRCI-P-100A
< 0,1 %
5 Tours
5 Tours, Construction Hybride
1,5 watt à 70°C 2 watts à 70°C
5K ohms, ± 5 % 5K ohms, ± 5 %
1 080°, 1 080° + 10° -0°
3 Tours, Construction Hybride
1,0 watt à 70°C
3 Tours1 Tour
1 Tour, Plastique Conducteur
5K ohms, ± 20%
340°, 360°
10 millions de Rotations de l'axe 5 millions de Rotations de l'axe
1 080°, 1 080° + 10° -0°
± 0,5 % suivant VRCI-P-100A
0,5 % max.
1 000 Mohms à 500VDC min 1 000 Mohms à 500VDC min
100 g durée 6 ms
infinie
1 000 VDC
± 0,007 %/°C
3 Broches (CW, CCW, S)
-55° à 125°C
10 à 2 000 Hz à 15 g
Séries 161H Séries 162H
signal analogique de 0 à la tension d'alimentation (circuit diviseur de tension)
12 mA
35 VDC / 35 VAC (en utilisant un circuit diviseur de tension)