EXAMEN BLANC U51 ADM - BANC MOTEUR

Telechargé par de reymaeker guy
CFA BTP AMEP DUCOS / BTS ELECTROTECHNIQUE / U51 ANALYSE DIAGNOSTIC MAINTENANCE
1/ 8
Nom : Prénom : Classe :
U51 ANALYSE DIAGNOSTIC MAINTENANCE
EXAMEN BLANC / ANALYSE DIAGNOSTIC MAINTENANCE
SYSTEME INDUSTRIEL / BANC MOTEUR TRIPHASE AVEC
VARIATEUR DE VITESSE ALT312
PROBLEMATIQUE
Afin de vous préparer au mieux à l’épreuve CCF pratique ponctuelle U51 Analyse Diagnostic maintenance,
vous devez être capable d’intervenir en maintenance sur des systèmes industriels composés de moteurs
triphasés commandés par des variateurs de vitesses de type ALTIVAR.
Ce sujet d’examen blanc permet de préparer la phase pratique qui sera effectuée lors de la prochaine séance
de lexamen blanc (Troisième partie du sujet), en atelier BTS ELEC du CFA BTP AMEP DUCOS.
En effet, vous aurez lors de cette séance à câbler et mettre en service le banc moteur, configurer et paramétrer
le variateur de vitesse et réaliser des mesures en respectant toutes les règles de sécurité qui s’imposent, afin de
valider le fonctionnement désiré du moteur triphasé.
En attendant, vous devez donc répondre aux questions posées ci-dessous dans la première et deuxième partie
du sujet, permettant de réaliser la phase de préparation de ce TP « Banc moteur triphasé avec variateur de
vitesse ALT312 ».
PRESENTATION
Le banc moteur triphasé expérimental est composé des équipements suivants :
1 Moteur triphasé asynchrone à cage d’écureuil
1 Génératrice shunt séparée
1 Capteur de couple
1 Dynamo tachymétrique
1 Variateur de vitesse ALT312
1 oscilloscope numérique à 2 voies GW INSTEK GDS 2072A
1 sonde différentielle de tension DP25
1 multimètre numérique
1 pince ampèremétrique
CFA BTP AMEP DUCOS / BTS ELECTROTECHNIQUE / U51 ANALYSE DIAGNOSTIC MAINTENANCE
2/ 8
Première partie / Analyse fonctionnelle et matérielle de
l’installation électrique industrielle
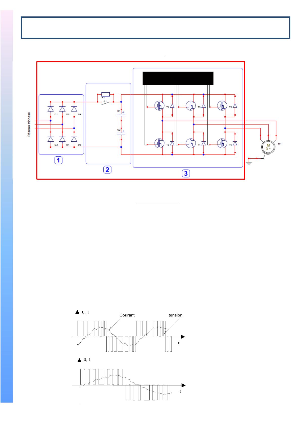
1. PRINCIPE DU VARIATEUR DE VITESSE ALT312
1. Donner la fonction des trois sous-ensembles 1, 2 et 3 et trouver leur représentation sous forme de
schéma bloc puis dessiner ci-dessous le schéma fonctionnel du variateur :
2. Expliquer le principe de fonctionnement d’un variateur de vitesse de moteur asynchrone triphasé :
3. Tension et courant de sortie du variateur relevés pour deux fréquences différentes :
Fréquence 50Hz
Tension
d’alimentation du
moteur 220 V
Fréquence 30Hz
Tension
d’alimentation du
moteur 130 V
VARIATEUR DE VITESSE
ALT312
CFA BTP AMEP DUCOS / BTS ELECTROTECHNIQUE / U51 ANALYSE DIAGNOSTIC MAINTENANCE
3/ 8
- Donner la loi reliant la fréquence d’alimentation du moteur f et la vitesse de synchronisme nS :
- Donner le type de commande de l´onduleur (3)
- Calculer pour les 2 fréquences différentes données ci-dessus, la vitesse de rotation du moteur.
- Analyser : Que remarquez-vous concernant les valeurs de tension d’alimentation du moteur par rapport aux
valeurs des 2 fréquences ? Justifier votre réponse.
2. CARACTERISTIQUES DU MOTEUR TRIPHASE
1. Quel type de moteur est utilisé ici (voir plaque signalétique du moteur sur le banc moteur situé dans la salle de
classe) pour faire varier la vitesse avec un ALT312 ? Justifier votre réponse.
2. Compléter le tableau du moteur triphasé utilisé (voir plaque signalétique du moteur) :
3. Daprès la plaque signalétique du moteur, préciser le nombre de paires de pôles de ce moteur.
4. Quel est le couplage moteur à effectuer ? Justifier votre réponse.
5. Dessiner ci-dessous le raccordement de la plaque à bornes du moteur : (couplage ou γ)
Tension
(Y/∆ )
Fréquence
f(Hz)
Puissance
P (KW)
Rendement
η
Courant
(Y/∆ )
Indice
IP
Cos Ø
CFA BTP AMEP DUCOS / BTS ELECTROTECHNIQUE / U51 ANALYSE DIAGNOSTIC MAINTENANCE
4/ 8
3. CARACTERISTIQUES DU VARIATEUR DE VITESSE
1. Relever la tension du réseau disponible :
2. Relever la référence du variateur de vitesse utilisé :
3. Quelle est la tension d’alimentation nécessaire à ce variateur ?
4. Justifier le choix du variateur de vitesse. Vous préciserez les grandeurs électriques intervenant dans ce choix.
Complétez le tableau récapitulatif des caractéristiques électriques ci-dessous :
Quel est le repère du variateur de vitesse ?
Quelle est sa référence ?
Sous quelle tension est-il alimenté ? (Type et valeur)
Quelle est la tension de sortie ? (Type et valeur)
Puissance maximale supporté par le variateur
4. CONFIGURATION/PARAMETRAGES DU VARIATEUR DE VITESSE
A l’aide des documents donnés sous format numérique sur Ypareo, sur le variateur de vitesse ALT312,
répondez aux questions suivantes :
1. Paramétrer le variateur pour obtenir un fonctionnement
correspondant au chronogramme d’accélération et de décélération
du moteur ci- dessous :
Vous préciserez ci-dessous, les actions à mener sur le variateur
de vitesse (Consigne par l'afficheur-clavier intégré, commande
par le clavier) pour ces paramétrages :
Tension
Nombre de phases
CFA BTP AMEP DUCOS / BTS ELECTROTECHNIQUE / U51 ANALYSE DIAGNOSTIC MAINTENANCE
5/ 8
2. Paramétrer le variateur pour délivrer une fréquence comprise entre 10Hz (fréquence mini) et 30Hz
(fréquence maxi).
Vous préciserez ci-dessous, les actions à mener sur le variateur de vitesse (Consigne par l'afficheur-clavier
intégré, commande par le clavier) pour ces paramétrages :
3. Paramétrer le variateur afin de réaliser l’Optimisation ou autoréglage ou Tun de l'ensemble variateur / moteur
(5 à 6 paramètres). Vous préciserez ci-dessous, les actions à mener sur le variateur de vitesse.
5. MESURES ET ESSAIS SUR LE BANC MOTEUR TRIPHASE
On souhaite relever la tension aux bornes du moteur triphasé ainsi que le courant efficace de ce moteur, pour
plusieurs fréquences du variateur de vitesse, comprise entre la fréquence minimale et maximale.
1. Préciser les appareils et équipements nécessaires pour effectuer ces mesures y compris les équipements de
sécurité.
2. Proposez un protocole de mesures pour chacune des mesures à effectuer en précisant comment vous allez
faire (Consigne par l'afficheur-clavier intégré, commande par le clavier) pour modifier la fréquence du
variateur de vitesse :
1 / 8 100%
La catégorie de ce document est-elle correcte?
Merci pour votre participation!

Faire une suggestion

Avez-vous trouvé des erreurs dans l'interface ou les textes ? Ou savez-vous comment améliorer l'interface utilisateur de StudyLib ? N'hésitez pas à envoyer vos suggestions. C'est très important pour nous!