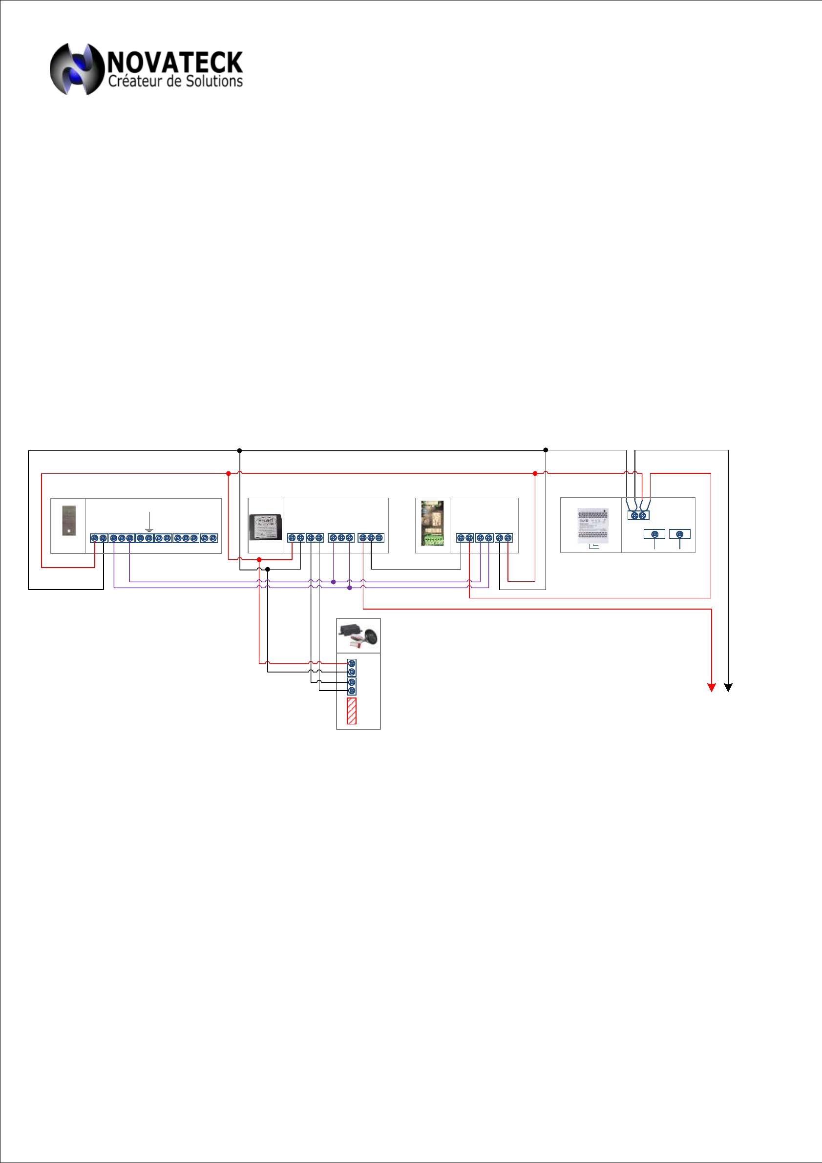
Schéma de câblage clavier CCIE 1 porte

Telechargé par telonlyft
+ - Tête Vigik
D+ D-
+ - Tête Vigik
D+ D-
+ -
190452
C R T
D+ D- BP- -
Option
+ -
190452
C R T
D+ D- BP- -
Option
Vers organe de
fermeture (à rupture
dans cet exemple)
NF NF NO NO
BPCAL
- +NF NF NO NO
BPCAL
- +
Porte secondaire
Clavier CCIE avec centrale 1 porte
AAD1250 100~240
100~240
- +
AAD1250 100~240
100~240
- +
12V DC
AAD1250 100~240
100~240
- +
12V DC
AAD1250 100~240
100~240
- +
12V DC
BUS
Porte 1 Porte 2
+ - C R T D+ D-
BP
1
+ - C R T D+ D-
BP
1
CCIE
C R T
Horloge
BP
2
+ - C R T D+ D-
BP
1
CCIE
C R T
Horloge
BP
2
Alim
1 / 1 100%
La catégorie de ce document est-elle correcte?
Merci pour votre participation!

Faire une suggestion

Avez-vous trouvé des erreurs dans l'interface ou les textes ? Ou savez-vous comment améliorer l'interface utilisateur de StudyLib ? N'hésitez pas à envoyer vos suggestions. C'est très important pour nous!