
B.MOUSLIM
2 BAC BIOF Soutien et Renforcement
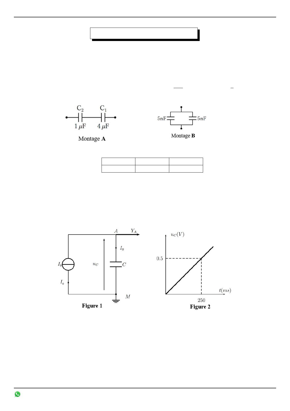
Exercice 3 :
Un condensateur initialement déchargé , de capacité C=1,0 µF, est branché en série avec un conducteur
ohmique de résistance R=10kΩ(Figure 1). La tension aux bornes du générateur est E=5,00V. À l’instant
t=0, on ferme le circuit.
La tension uc(t), enregistrée au cours de la charge, est représentée graphiquement (Figure 2).
1. Établir l’équation diérentielle de la tension ucaux bornes du condensateur lors de la charge.
2. La solution de l’équation diérentielle est la suivante :
uc(t) = A(1 −e−α.t)
Déterminer A et αen fonction de E, R et C
3. Exprimer la constante de temps τen fonction de α, calculer ucpour t=τ.
4. Trouver la valeur numérique de τà l’aide de graphique (plusieurs méthodes sont possibles). la valeur
trouvée est-elle compatible avec les valeurs des composantes données au début de l’énoncé ?
Exercice 4 :
Pour déterminer la capacité C d’un condensateur extrait d’un appareil photo, on décharge le condensateur
puis on le branche en série avec un conducteur ohmique de résistance R=10kΩet un générateur de tension
idéal de f.é.m. E=12V et un interrupteur K , à l’instant t=0 on ferme l’interrupteur K et on visualise la
tension uC(t).
1. Représenter le montage expérimental en précisant comment faut-il
brancher l’oscilloscope pour visualiser la tension uC.
2. Établir l’équation diérentielle vériée par la tension uC.
3. La solution de l’équation diérentielle s’écrit sous la forme :
uC(t) = A+B.e
−
t
τ, déterminer les expressions de A, B et τ.
4. En déduire l’expression de la charge q(t).
5. Déterminer graphiquement τet en déduire la capacité C.
6. Calculer Eel’énergie électrique emmagasinée dans le condensateur
dans le régime permanent.
0718-218181 2 Prof : B.Mouslim